一种低温蒸汽加热系统及其控制方法(发明)
发布时间:2024/3/17 18:21:44 点击:229
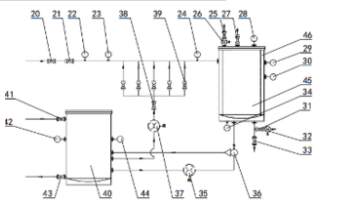
该技术提供一种对蒸汽降温降压后利用蒸汽对反应釜加热,以解决反应釜在100℃以下的温度区间只能选择水浴或油浴加热,存在加热效率低、加热不均匀、温度控制不精准、耗能高等问题的低温蒸汽加热系统及其控制方法。技术方案是:该低温蒸汽加热系统,包括蒸汽减温减压装置、冷凝水排水装置、自清理装置以及储液罐,蒸汽减温减压装置的输出口与反应釜的夹套的上部连通,冷凝水排水装置的输入口与夹套的底部连通,冷凝水排水装置的输出口与储液罐相连通,自清理装置的输入口与储液罐相连通,输出口与蒸汽减温减压装置相连通。
